FG8 - Rohde AG | Aluminum, stainless steel and plastic handles

Functional handles FG8

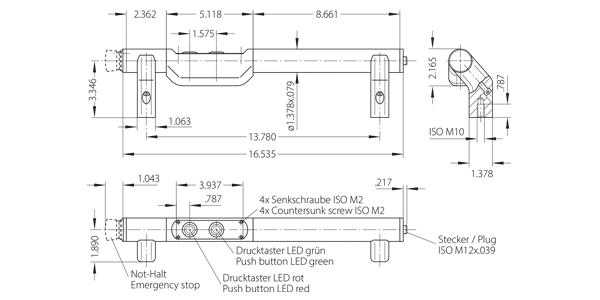
Functional handle in allmetal design with illuminated push buttons.

Material and surface:
Tube Ø35x2 mm of stainless steel, material no. 1.4301; fine ground. Handle shanks and housing of push buttons made of aluminium, vibratory ground and natural colour anodized with dull bright finish.

Function elements:
2 push buttons with micro switch up to 1A and red resp. green illuminated ring.

Type FG8-05 with additional emergency stop (2 NC contacts).

Protection class:
IP 54 with the coupling attached.

Connection:
8 resp. 12-pole, coupling with 10m ready made cable available as accessories.

Note:
Other handle lengths as well as illuminated emergency stop on request.

show more show less
  • handle lengths customized
  • button assignment according to customer requirements
  • button / LED colors according to customer specifications
  • further connection possibilities
  • labeling possible
  • further color versions
show more show less
Technical schematic of FG8 functional handle including measurements and labels for LED push buttons, emergency stop, mounting screws, and plug connection.
Unit of measure
Product Type Description Handle shank version Order-No.
Product Type Description Handle shank version Order-No.
Product Type FG8-00 Description Counter handle without function Handle shank version Order-No. FG8-00.350.11 3D+CAD
Product Type FG8-02 Description 2 push buttons Handle shank version left Order-No. FG8-02.L350.11 3D+CAD
Product Type FG8-02 Description 2 push buttons Handle shank version right Order-No. FG8-02.R350.11 3D+CAD
Product Type FG8-05 Description 2 push buttons and emergency stop Handle shank version left Order-No. FG8-05.L350.11 3D+CAD
Product Type FG8-05 Description 2 push buttons and emergency stop Handle shank version right Order-No. FG8-05.R350.11 3D+CAD
Handle accessories
Length Coupling 8-pole (M12 x 1)
Order-No.
12-pole (M12 x 1)
Order-No.
Length Coupling 8-pole (M12 x 1)
Order-No.
12-pole (M12 x 1)
Order-No.
Close-up view of a circular industrial connector with multiple pins and attached black cable Length 10 m Coupling angled 8-pole (M12 x 1)
Order-No.
FZ-KS.W08.10
12-pole (M12 x 1)
Order-No.
FZ-KS.W12.10
Black cylindrical electrical connector plug with ribbed grip, metal sleeve with blue and white markings, and connected cable Length 10 m Coupling straight / axial 8-pole (M12 x 1)
Order-No.
FZ-KS.G08.10
12-pole (M12 x 1)
Order-No.
FZ-KS.G12.10
Technical data table for FG8-02 and FG8-05 functional handles showing emergency stop, push button LED specifications, operating voltage, connection types, and connector pin layout with wire colors.

Contact us

Halder Inc. 

821 West College Avenue
53186 Waukesha, WI
United States of America

T +1 262-521-2050
F +1 262-521-3050

sales@halderusa.com 
www.halderusa.com