TG1 - Rohde AG | Aluminum, stainless steel and plastic handles

Switch housing TG1

Compact switch housing.

Material and surface:
Housing made of aluminum AlMgSi 0.5; bead blasted and natural or black anodized.

Design features:
Version F for front mounting.
Version R for back mounting.

Function elements:
Push button, designed as NO contact.

Connection:
Connection cable led out 5 m from the switch housing.

Protection:
IP 54.

Note:
Other lengths and designs on request.

show more show less

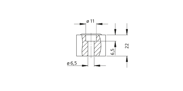
Version front sided mounting

Technical drawing showing front view of a TG1 switch housing with three push buttons vertically aligned, labeled with green and red LEDs, and measurements in millimeters.
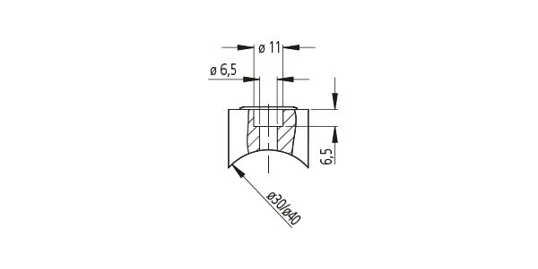
Cross-sectional technical drawing of TG1 compact switch housing with dimensions in inches
Unit of measure
Anodizing version
Product Type Description Anodizing version natural-colored
Order-No.
Anodized aluminum black
Order-No.
Product Type Description Anodizing version natural-colored
Order-No.
Anodized aluminum black
Order-No.
Product Type TG1-01 Description 1 push button Anodizing version natural-colored
Order-No.
TG1-01.F100.01 3D+CAD
Anodized aluminum black
Order-No.
TG1-01.F100.04 3D+CAD
Product Type TG1-02 Description 2 push buttons Anodizing version natural-colored
Order-No.
TG1-02.F100.01 3D+CAD
Anodized aluminum black
Order-No.
TG1-02.F100.04 3D+CAD
Product Type TG1-06 Description 3 push buttons Anodizing version natural-colored
Order-No.
TG1-06.F100.01 3D+CAD
Anodized aluminum black
Order-No.
TG1-06.F100.04 3D+CAD

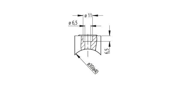
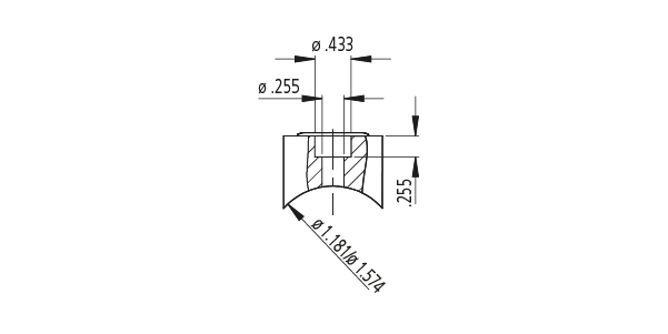
Version front sided mounting on tube Ø30

Unit of measure
Anodizing version
Product Type Description Anodizing version natural-colored
Order-No.
Anodized aluminum black
Order-No.
Product Type Description Anodizing version natural-colored
Order-No.
Anodized aluminum black
Order-No.
Product Type TG1-01 Description 1 push button Anodizing version natural-colored
Order-No.
TG-01.F100.030.01 3D+CAD
Anodized aluminum black
Order-No.
TG-01.F100.030.04 3D+CAD
Product Type TG1-02 Description 2 push buttons Anodizing version natural-colored
Order-No.
TG1-02.F100.030.01 3D+CAD
Anodized aluminum black
Order-No.
TG1-02.F100.030.04 3D+CAD
Product Type TG1-06 Description 3 push buttons Anodizing version natural-colored
Order-No.
TG1-06.F100.030.01 3D+CAD
Anodized aluminum black
Order-No.
TG1-06.F100.030.04 3D+CAD

Version front sided mounting on tube Ø40

Technical drawing showing front view of TG1 switch housing with three push buttons arranged vertically with labeled dimensions and LED colors
Unit of measure
Anodizing version
Product Type Description Anodizing version natural-colored
Order-No.
Anodized aluminum black
Order-No.
Product Type Description Anodizing version natural-colored
Order-No.
Anodized aluminum black
Order-No.
Product Type TG1-01 Description 1 push button Anodizing version natural-colored
Order-No.
TG1-01.F100.040.01 3D+CAD
Anodized aluminum black
Order-No.
TG1-01.F100.040.04 3D+CAD
Product Type TG1-02 Description 2 push buttons Anodizing version natural-colored
Order-No.
TG1-02.F100.040.01 3D+CAD
Anodized aluminum black
Order-No.
TG1-02.F100.040.04 3D+CAD
Product Type TG1-06 Description 3 push buttons Anodizing version natural-colored
Order-No.
TG1-06.F100.040.01 3D+CAD
Anodized aluminum black
Order-No.
TG1-06.F100.040.04 3D+CAD

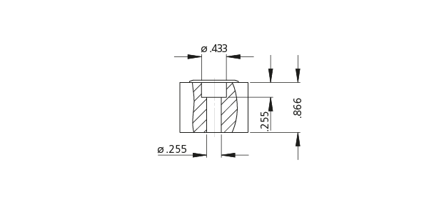
Version rear sided mounting

Technical drawing of TG1 switch housing version R with three vertically arranged push buttons labeled with LED colors and dimensions in inches.
Unit of measure
Anodizing version
Product Type Description Anodizing version natural-colored
Order-No.
Anodized aluminum black
Order-No.
Product Type Description Anodizing version natural-colored
Order-No.
Anodized aluminum black
Order-No.
Product Type TG1-01 Description 1 push button Anodizing version natural-colored
Order-No.
TG1-01.R100.01 3D+CAD
Anodized aluminum black
Order-No.
TG1-01.R100.04 3D+CAD
Product Type TG1-02 Description 2 push buttons Anodizing version natural-colored
Order-No.
TG1-02.R100.01 3D+CAD
Anodized aluminum black
Order-No.
TG1-02.R100.04 3D+CAD
Product Type TG1-06 Description 3 push buttons Anodizing version natural-colored
Order-No.
TG1-06.R100.01 3D+CAD
Anodized aluminum black
Order-No.
TG1-06.R100.04 3D+CAD

Contact us

Halder Inc. 

821 West College Avenue
53186 Waukesha, WI
United States of America

T +1 262-521-2050
F +1 262-521-3050

sales@halderusa.com 
www.halderusa.com